diagramma impianto elettrico

<<

piter_one

Neopatentato
Neopatentato

Messaggi: 87

Iscritto il: 30/12/2013, 15:43

Località: Palermo

Messaggio 18/05/2014, 22:15

diagramma impianto elettrico

Qualcuno ha un bel diagramma
Grazie anticipatamente
Le mie passioni:
Honda cb 900 f2d
Lambretta innocenti 150 special golden
Lambretta innocenti 125 2 serie
<<

barracuda

Avatar utente

Master Platinum
Master Platinum

Messaggi: 5024

Iscritto il: 30/12/2009, 18:18

Località: Padova

Messaggio 18/05/2014, 23:21

Re: diagramma impianto elettrico

CB900_Color_Schematic.jpg
altrimenti puoi scaricarne uno in bianco e nero dalla sezione download
<<

supertitti

Avatar utente

Master Platinum
Master Platinum

Messaggi: 8043

Iscritto il: 30/12/2009, 9:54

Località: San Possidonio (MO)...ora però sono a Tulancingo Mexico

Messaggio 19/05/2014, 2:26

Re: diagramma impianto elettrico

sembra un quadro di Mirò ?!? :shock:
Chi va piano va sano e va lontano.....ma non arriverà mai Primoo !!!
<<

barracuda

Avatar utente

Master Platinum
Master Platinum

Messaggi: 5024

Iscritto il: 30/12/2009, 18:18

Località: Padova

Messaggio 19/05/2014, 16:47

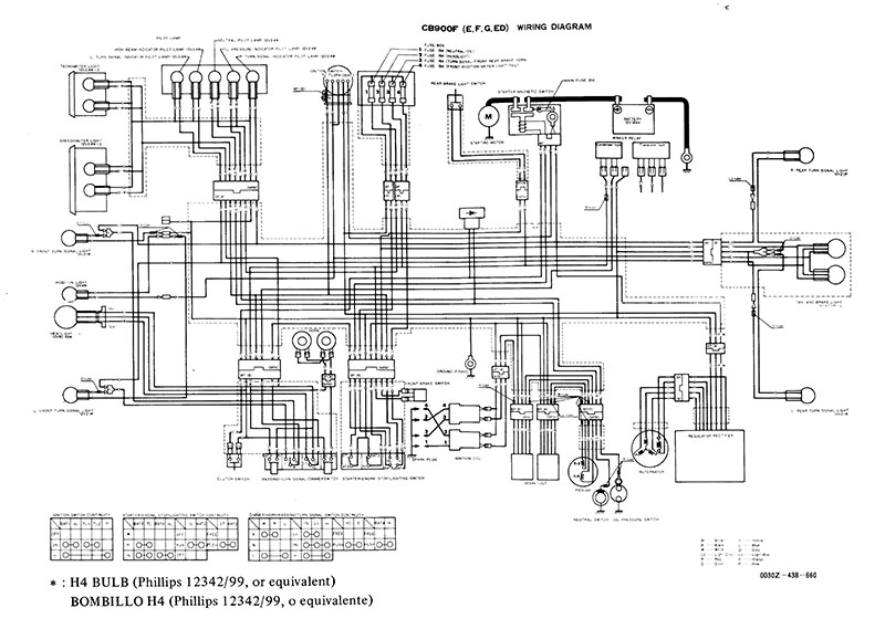
Re: diagramma impianto elettrico

Mi pare piuttosto un Mondrian :grin:

Però se preferisci c'è questo

schema elettrico.jpg
<<

piter_one

Neopatentato
Neopatentato

Messaggi: 87

Iscritto il: 30/12/2013, 15:43

Località: Palermo

Messaggio 21/05/2014, 21:28

Re: diagramma impianto elettrico

Grazie , lì appendero' nella stanza da letto
Le mie passioni:
Honda cb 900 f2d
Lambretta innocenti 150 special golden
Lambretta innocenti 125 2 serie

Torna a Sezione Elaborazioni e Restauro

Chi c’è in linea

Visitano il forum: Nessuno e 1 ospite

Powered by phpBB © 2000, 2002, 2005, 2007 phpBB Group.
Designed by ST Software for blacklist.org.
Traduzione Italiana phpBB.it
[phpBB Debug] PHP Warning: in file /var/www/clients/client9/web15/web/mkportal/include/PHPBB3/php_out.php on line 33: Creating default object from empty value